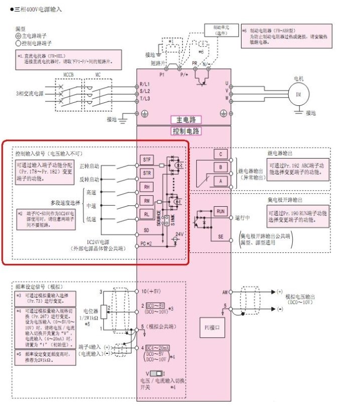
简析plc与变频器的三种连接方法
2024.01.101、利用PLC的模拟量输出模块控制变频器
PLC的模拟量输出模块输出0~5V电压信号或4~20 mA电流信号,作为变频器的模拟量输入信号。控制变频器的输出频率,这种控制方式接线简单,但需要选择与变频器输入阻抗匹配的PLC输出模块,且PLC的模拟量输出模块价格较为昂贵,此外还需采取分压措施使变频器适应PLC的电压信号范围,在连接时注意将布线分开,保证主电路一侧的噪声不传至控制电路。

2、利用PLC的开关量输出控制变频器
PLC的开关输出量一般可以与变频器的开关量输入端直接相连。这种控制方式的接线简单,抗干扰能力强。利用PLC的开关量输出可以控制变频器的启动/停止、正/反转、点动、转速和加减时间等,能实现较为复杂的控制要求,但只能有级调速。
3. PLC与485通信接口的连接
大部分的通用变频器都有一个RS485串行接口(有的也提供RS232接口),采用双线连接,其设计标准适用于工业环境的应用对象。单一的RS485链路最多可以连接30台变频器,而且根据各变频器的地址或采用广播信息,都可以找到需要通信的变频器。链路中需要有一个主控制器(主站),而各个变频器则是从属的控制对象(从站)。
采用串行接口有以下优点:
1)大大减少布线的数量。
2)无须重新布线,即可更改控制功能。
3)可以通过串行接口设置和修改变频器的参数。
4)可以连续对变频器的特性进行监测和控制。


